 |
| Vanguard SLV5 | 1959 Apr 14 |
Launch Result
Failure
Launched Objects
| COSPAR | JCAT | Name | AltName | Owner | Mass/kg |
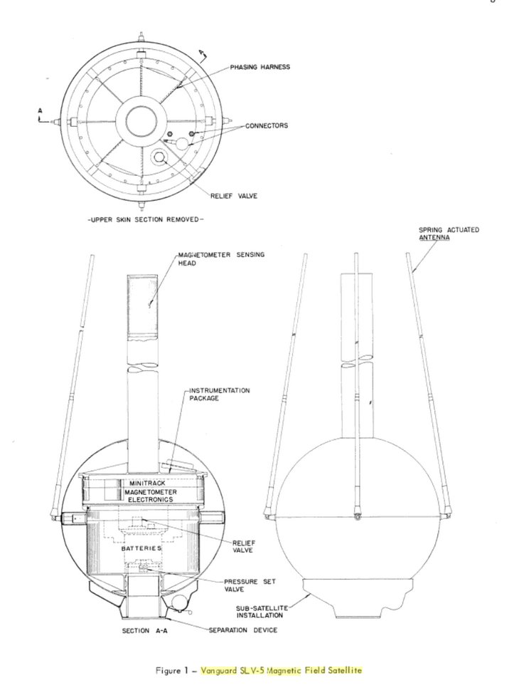
| 1959-F01 | F00056 | Magnetometer Satellite | | NRL | 10 |   |
| 1959-F01 | F00058 | 30-inch Sphere | Balloon satellite | NASA-LARC | 1 |  |
| 1959-F01 | F00055 | Vanguard SLV3 Stage 3 | GRC 33-KS-2800 | NRL | 22 |
| 1959-F01 | F00057 | Balloon container | | NASA-LARC | 1 |
Back to NRL satellite index